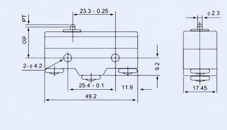
Микро превключвателят за самостоятелно резервиране е автоматичен контролен компонент, задействан от механично движение. Основната му функция е да открие изместването или хода на обект за постигане на отваряне и затваряне на вериги, старт и спиране на оборудването или ограничаване на защитата. Това е незаменим „Secute Sentinel“ и „Commander Action“ в индустриалната автоматизация и електромеханичното оборудване.
Превключвател ВъведениеUction
Превключвателят за пътуване (известен също като ограничен превключвател) е автоматичен контролен компонент, задействан от механично движение. Основната му функция е да открие изместването или хода на обект за постигане на отваряне и затваряне на вериги, старт и спиране на оборудването или ограничаване на защитата. Това е незаменим „Secute Sentinel“ и „Commander Action“ в индустриалната автоматизация и електромеханичното оборудване.
Превключвател Приложенияция
Механизмът за повдигане на платформата за рязане на комбайн на комбайните е оборудван с превключвател за пътуване, който задава "минималната работна височина" и "височина на транспорта" на платформата за рязане. По време на прибирането на реколтата, ако платформата за рязане се спусне твърде ниско (близо до земята, евентуално изстъргване на почвата), превключвателят се задейства, за да контролира хидравличната система за повишаване на платформата за рязане; По време на транспорта, когато платформата за рязане се издигне до най -високо положение, превключвателят се задейства за заключване на височината на рязане, предотвратявайки разклащането по време на шофиране. В семенната кутия на сеялката, превключвателят за пътуване открива нивото на семената. Когато семената са на път да изтекат, превключвателят задейства алармено устройство, за да напомни на оператора да добави семена, предотвратявайки пропуснато сеитба.
Превключвател Подробности
