Като еталонен модел на серията микропревключватели на Yueqing Tongda Wire Electric Factory, микропревключвателят за микровълнова фурна и пералня включва „висока чувствителност, ултра-дълъг живот и адаптивност към различни сценарии“ като свои основни предимства. Интегрирайки 35-годишния опит на компанията в производството на превключватели, той се превърна в ключов контролен компонент в домакински уреди, автомобилна електроника, индустриална автоматизация и други области, благодарение на минималното разстояние между контактите и механизма за бързо действие. Неговата производителност и надеждност са сертифицирани от множество авторитетни организации по целия свят, осигурявайки основната му позиция в пазарната ниша.
Въведение в микропревключвателя
Продуктът е получил големи глобални сертификати за безопасност, включително UL, C-UL, ENEC, VDE, CE, CB, TUV, CQC и KC, отговаря на стандарта IEC 61058 и отговаря на изискванията за пазарен достъп в региони като Европа, Америка и Азиатско-тихоокеанския регион. Компанията е получила сертификати за система за управление на качеството ISO9001 и IATF 16949 и стриктно прилага екологичните директиви RoHS и REACH, осигурявайки прецизен контрол през целия производствен процес. С 6 национални патента за изобретения и 48 патента за полезни модели, серията HK-14 постига водещи в индустрията нива на надеждност и последователност.
Указания за инсталиране и използване
При инсталиране превключвателят трябва да се монтира на равна повърхност и да се закрепи с плоска шайба или пружинна шайба, за да се предотврати неизправност или повреда на корпуса, причинена от неравни повърхности. Изберете модели въз основа на околната среда: за влажни или прашни условия се препоръчва да използвате запечатана потребителска версия за подобряване на защитата. Не нанасяйте смазочно масло върху бутона или задвижващия механизъм, за да предотвратите залепване на контакта, функционални повреди или дори изгаряне. По време на съхранение дръжте продукта на сухо, проветриво място, защитено от дъжд или сняг и избягвайте висока температура и влажност, които могат да причинят стареене на компонентите, като гарантирате, че продуктът ще запази първоначалната си производителност.
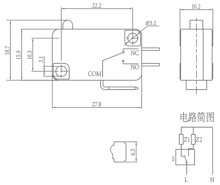
Параметър на микропревключвателя (спецификация)
| Технически характеристики на превключвателя: | |||
| АРТИКУЛ | Технически параметър | Стойност | |
| 1 | Електрическа оценка | 5(2)A/10A/16(3)A/21(8)A 250VAC | |
| 2 | Контактно съпротивление | ≤30mΩ Първоначална стойност | |
| 3 | Изолационно съпротивление | ≥100MΩ (500VDC) | |
| 4 |
Диелектрик Напрежение |
Между несвързани клеми |
1000V/0.5mA/60S |
|
Между терминалите и металната рамка |
3000V/0.5mA/60S | ||
| 5 | Електрически живот | ≥50000 цикъла | |
| 6 | Механичен живот | ≥1000000 цикъла | |
| 7 | Работна температура | -25 ~ 125 ℃ | |
| 8 | Работна честота |
електрически: 15 цикъла Механични: 60 цикъла |
|
| 9 | Устойчивост на вибрации |
Честота на вибрация: 10~55HZ; Амплитуда:1.5mm; Три посоки: 1H |
|
| 10 |
Способност за запояване: Повече от 80% от потопената част трябва да бъдат покрити с спойка |
Температура на запояване: 235±5℃ Време на потапяне: 2~3S |
|
| 11 | Устойчивост на топлина на спойка |
Потопено запояване: 260±5℃ 5±1S Ръчно запояване: 300±5℃ 2~3S |
|
| 12 | Одобрения за безопасност | UL、CSA、VDE、ENEC、TUV、CE、KC、CQC | |
| 13 | Условия на теста |
Температура на околната среда: 20±5℃ Относителна влажност: 65±5%RH Въздушно налягане: 86 ~ 106 KPa |
|
Функция и приложение на микропревключвателя
Подробности за микропревключвателя
