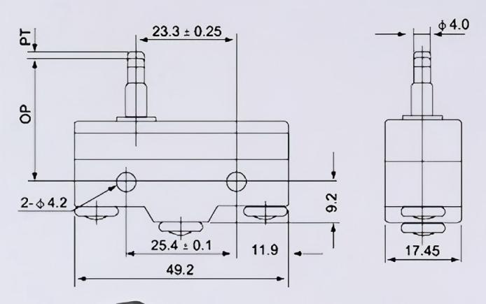
LS висококачествен превключвател за прекъсване на лимита е автоматичен контролен компонент, задействан от механично движение. Основната му функция е да открие изместването или хода на обект за постигане на отваряне и затваряне на вериги, старт и спиране на оборудването или ограничаване на защитата. Това е незаменим „Secute Sentinel“ и „Commander Action“ в индустриалната автоматизация и електромеханичното оборудване.
Превключвател ВъведениеUction
Превключвателят за пътуване (известен също като ограничен превключвател) е автоматичен контролен компонент, задействан от механично движение. Основната му функция е да открие изместването или хода на обект за постигане на отваряне и затваряне на вериги, старт и спиране на оборудването или ограничаване на защитата. Това е незаменим „Secute Sentinel“ и „Commander Action“ в индустриалната автоматизация и електромеханичното оборудване.
Превключвател Приложенияция
Система за конвейер: Ограничените превключватели са инсталирани в началните/крайните точки на конвейера. Когато детайлът се транспортира до определеното положение, превключвателят се задейства да пауза на конвейера, като се координира с роботизираната рама, за да извършва схващане и сортиране на действия.
Монтажна линия: Те се използват за откриване дали детайл е в правилното положение. Например, на монтажната линия на домашния уред, когато външната обвивка се премества в станцията за затягане на винта, превключвателят задейства стартирането на машината за затягане, като гарантира прецизна координация между стъпките на процеса.
Превключвател Подробности
