Независимият превключвател за пътуване с двойна полюса е автоматичен контролен компонент, задействан от механично движение. Основната му функция е да открие изместването или хода на обект за постигане на отваряне и затваряне на вериги, старт и спиране на оборудването или ограничаване на защитата. Това е незаменим „Secute Sentinel“ и „Commander Action“ в индустриалната автоматизация и електромеханичното оборудване.
Превключвател ВъведениеUction
Превключвателят за пътуване (известен също като ограничен превключвател) е автоматичен контролен компонент, задействан от механично движение. Основната му функция е да открие изместването или хода на обект за постигане на отваряне и затваряне на вериги, старт и спиране на оборудването или ограничаване на защитата. Това е незаменим „Secute Sentinel“ и „Commander Action“ в индустриалната автоматизация и електромеханичното оборудване.
Превключвател Приложенияция
Приложение в домашни уреди и умен дом:
Пералня:На вратата е инсталиран ограничен превключвател на пералня за предно зареждане. Уредът ще започне само когато вратата е напълно затворена и превключвателят активира веригата, което предотвратява изхвърлянето на вода или дрехите по време на работа.
Хладилник/фурна:Когато вратата на хладилника е затворена, превключвателят задейства за изключване на вътрешната светлина. И обратно, ако вратата на фурната не е сигурно затворена, превключвателят ще отреже мощността към нагревателните елементи, за да се предотврати изтичането на топлина.
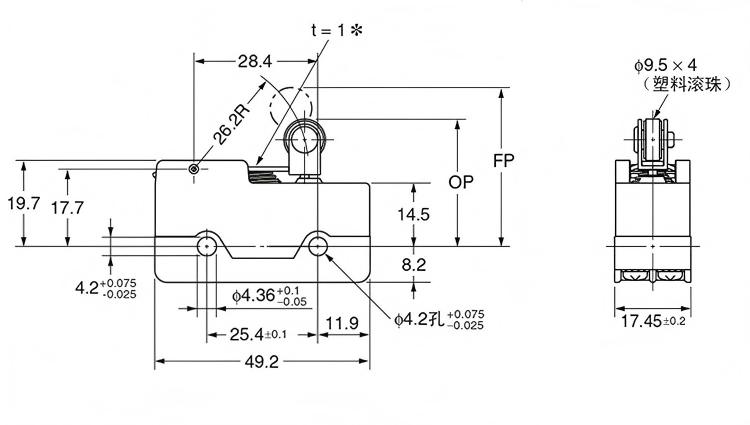
Превключвател Подробности
