Като еталонен модел на серията микропревключватели на Yueqing Tongda Wire Electric Factory, микровълновият микропревключвател HK-14, устойчив на висока температура 16A 250V с голям ток, се отличава с "висока чувствителност, ултра-дълъг живот и адаптивност към различни сценарии" като свои основни предимства. Интегрирайки 35-годишния опит на компанията в производството на превключватели, той се превърна в ключов контролен компонент в домакински уреди, автомобилна електроника, индустриална автоматизация и други области, благодарение на минималното разстояние между контактите и механизма за бързо действие. Неговата производителност и надеждност са сертифицирани от множество авторитетни организации по целия свят, осигурявайки основната му позиция в пазарната ниша.
Въведение в микропревключвателя
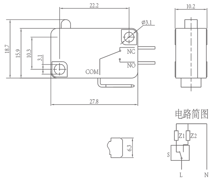
Серията HK-14 предоставя изключително гъвкави опции за персонализиране, за да отговори на изискванията на различни приложения. Работната сила може да се персонализира (по-малко от 5,0 N в състояние без лост, обикновено 30±15 gf), с диапазон на работния ход от 0,6 до 1,5 mm, приспособяващ различни сценарии за сила на задействане и изместване. Стиловете на лостовете могат да се персонализират, включително прави лостове, извити лостове и ролкови лостове, за да отговарят на различни структури на механична трансмисия. Типовете контакти включват SPDT (1NO+1NC), NO и NC, покриващи пълния диапазон, за да отговорят на изискванията за единично управление, блокировка и други нужди при проектиране на верига.
Указания за инсталиране и използване
При инсталиране превключвателят трябва да се монтира на равна повърхност и да се закрепи с плоска шайба или пружинна шайба, за да се предотврати неизправност или повреда на корпуса, причинена от неравни повърхности. Изберете модели въз основа на околната среда: за влажни или прашни условия се препоръчва да използвате запечатана потребителска версия за подобряване на защитата. Не нанасяйте смазочно масло върху бутона или задвижващия механизъм, за да предотвратите залепване на контакта, функционални повреди или дори изгаряне. По време на съхранение дръжте продукта на сухо, проветриво място, защитено от дъжд или сняг и избягвайте висока температура и влажност, които могат да причинят стареене на компонентите, като гарантирате, че продуктът ще запази първоначалната си производителност.
Параметър на микропревключвателя (спецификация)
| Технически характеристики на превключвателя: | |||
| АРТИКУЛ | Технически параметър | Стойност | |
| 1 | Електрическа оценка | 5(2)A/10A/16(3)A/21(8)A 250VAC | |
| 2 | Контактно съпротивление | ≤30mΩ Първоначална стойност | |
| 3 | Изолационно съпротивление | ≥100MΩ (500VDC) | |
| 4 |
Диелектрик Напрежение |
Между несвързани клеми |
1000V/0.5mA/60S |
|
Между терминалите и металната рамка |
3000V/0.5mA/60S | ||
| 5 | Електрически живот | ≥50000 цикъла | |
| 6 | Механичен живот | ≥1000000 цикъла | |
| 7 | Работна температура | -25 ~ 125 ℃ | |
| 8 | Работна честота |
електрически: 15 цикъла Механични: 60 цикъла |
|
| 9 | Устойчивост на вибрации |
Честота на вибрация: 10~55HZ; Амплитуда:1.5mm; Три посоки: 1H |
|
| 10 |
Способност за запояване: Повече от 80% от потопената част трябва да бъдат покрити с спойка |
Температура на запояване: 235±5℃ Време на потапяне: 2~3S |
|
| 11 | Устойчивост на топлина на спойка |
Потопено запояване: 260±5℃ 5±1S Ръчно запояване: 300±5℃ 2~3S |
|
| 12 | Одобрения за безопасност | UL、CSA、VDE、ENEC、TUV、CE、KC、CQC | |
| 13 | Условия на теста |
Температура на околната среда: 20±5℃ Относителна влажност: 65±5%RH Въздушно налягане: 86 ~ 106 KPa |
|
Функция и приложение на микропревключвателя
Подробности за микропревключвателя
