Като еталонен модел на серията микропревключватели на Yueqing Tongda Wire Electric Factory, високотоковият дълготраен микропревключвател с UL, VDE и CE сертификати включва „висока чувствителност, ултра-дълъг живот и адаптивност към различни сценарии“ като свои основни предимства. Интегрирайки 35-годишния опит на компанията в производството на превключватели, той се превърна в ключов контролен компонент в домакински уреди, автомобилна електроника, индустриална автоматизация и други области, благодарение на минималното разстояние между контактите и механизма за бързо действие. Неговата производителност и надеждност са сертифицирани от множество авторитетни организации по целия свят, осигурявайки основната му позиция в пазарната ниша.
Въведение в микропревключвателя
Задействане с точност до милисекунди: Използва бърз механизъм с моментално действие с къс ход от 0,5-1,6 мм и регулируема работна сила от 0,25-4N, осигурявайки бърз отговор без забавяне за ефективно предотвратяване на "фалшиви задействания". Подходящ за високопрецизни сценарии, като управление на вратата на микровълнова фурна и промишлени сензори.
Изключително издръжливо качество: Контактите от сплав с висока проводимост, съчетани с подсилена структура, предлагат механичен живот над 1 милион цикъла и електрически живот от над 50 000 цикъла. Идеален за дългосрочна стабилна работа в среда с висока честота, като автомобилна електроника и електрически инструменти.
Широка адаптивност към околната среда: Работи при широк температурен диапазон от -25 ℃ до 125 ℃, издържа на високочестотни вибрации от 10-55 Hz, има изолационно съпротивление ≥100 MΩ и издържащо на клемите напрежение от 1000 V AC. Надеждна работа при тежки условия, като например вибрации в промишлени работилници и високи температури в двигателните отделения на автомобили.
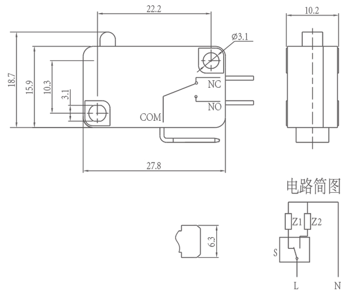
Параметър на микропревключвателя (спецификация)
| Технически характеристики на превключвателя: | |||
| АРТИКУЛ | Технически параметър | Стойност | |
| 1 | Електрическа оценка | 5(2)A/10A/16(3)A/21(8)A 250VAC | |
| 2 | Контактно съпротивление | ≤30mΩ Първоначална стойност | |
| 3 | Изолационно съпротивление | ≥100MΩ (500VDC) | |
| 4 |
Диелектрик Напрежение |
Между несвързани клеми |
1000V/0.5mA/60S |
| Между терминалите и металната рамка |
3000V/0.5mA/60S | ||
| 5 | Електрически живот | ≥50000 цикъла | |
| 6 | Механичен живот | ≥1000000 цикъла | |
| 7 | Работна температура | -25 ~ 125 ℃ | |
| 8 | Работна честота | електрически: 15 цикъла Механични: 60 цикъла |
|
| 9 | Устойчивост на вибрации | Честота на вибрация: 10~55HZ; Амплитуда:1.5mm; Три посоки: 1H |
|
| 10 | Способност за запояване: Повече от 80% от потопената част трябва да бъдат покрити с спойка |
Температура на запояване: 235±5℃ Време на потапяне: 2~3S |
|
| 11 | Устойчивост на топлина на спойка | Потопено запояване: 260±5℃ 5±1S Ръчно запояване: 300±5℃ 2~3S |
|
| 12 | Одобрения за безопасност | UL、CSA、VDE、ENEC、TUV、CE、KC、CQC | |
| 13 | Условия на теста | Температура на околната среда: 20±5℃ Относителна влажност: 65±5%RH Въздушно налягане: 86 ~ 106 KPa |
|
Функция и приложение на микропревключвателя
Подробности за микропревключвателя


