250V СРЕБЕН КОНТАКТ КОНТАКТИЧЕН ЛИЦЕНТИВЕН КРАНТ
LS-01T Дву-пинов самостоятелен набор от пресоване на пресоване Микро превключвател
Сребърен контакт с ограничен превключвател за самостоятелно пренасочване
Сребърен контакт 250V Самостоятелно резодумиране Ограничете микро превключвателяКато представителен продукт на Yueqing Tongda Cable Power Plant, който олицетворява интегрирането на основната стандартизация и персонализиране, превключвателят HK-04G-L е проектиран с основните принципи на "стабилност, надеждност и съвместимост на сцени". Той включва 35 години опит на компанията в производството на превключватели, постигайки множество оптимизации в електрическата производителност, нивата на защита и потребителското изживяване. Превключвателят е широко приложим за сценарии като интелигентно домашно електроразпределение, промишлено спомагателно оборудване и малки медицински инструменти, което го прави предпочитан компонент за управление на веригата, който балансира универсалността с потенциала за персонализиране.
Микро превключвателВъведение
Превключвателят HK-04G-L се фокусира върху практическите изисквания за ключови параметри, отговаряйки на основните стандарти за управление за различни сценарии. Контактите са изработени от сребро-калаена сплав и са обработени с прецизна заварка, с първоначално контактно съпротивление ≤8mΩ. Той може надеждно да пренася 10A-16A променлив ток (номинално напрежение 250V променлив ток), подходящ за нуждите от захранване на повечето домакински и малки промишлени устройства, като ефективно предотвратява проблеми с прегряване на контакта или ерозия, причинени от претоварване с ток.
Работата на спусъка и продължителността на живота са еднакво надеждни: той използва структура на спусъка от тип рокер, с ход на натискане от 1,3-1,6 mm и работна сила, контролирана в рамките на 1,5-3N. Обратната връзка при активиране е ясна и плавна, което прави малко вероятно ежедневната употреба да изпита „натискане без реакция“. Механичният живот достига 80 000 цикъла на пресоване, а електрическият живот надхвърля 50 000 цикъла. При устройства с висока честота, като хладилници, малки вентилатори и търговски принтери, той може да постигне стабилна работа за 3-5 години.
Приспособимостта към околната среда отговаря на изискванията на конвенционалния сценарий: Продуктът работи в температурен диапазон от -30°C до 80°C, способен да се справи с ниски температури през северните зими и условия на разсейване на топлината през лятото; изолационното съпротивление е ≥50MΩ (500VDC), а издръжливостта на напрежението на клемите достига 800V AC, отговаряйки на електрическите стандарти за безопасност за домакинска и търговска употреба. В допълнение, корпусът е направен от устойчив на горене ABS материал (съвместим с UL94 V-1), намалявайки рисковете за безопасността, причинени от късо съединение.
Микро превключвателПриложение
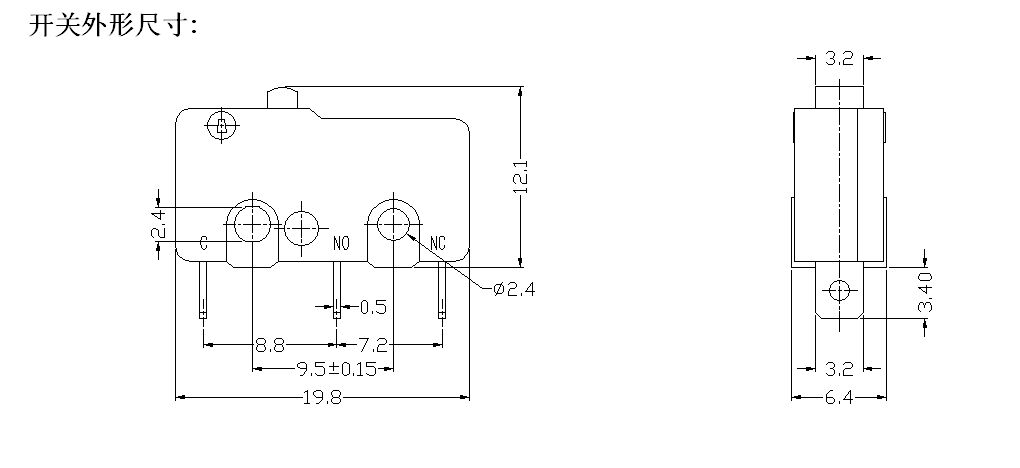
В сценарии за интелигентен дом и домакинство, HK-04G-L, със своя компактен размер (приблизително 20 × 15 × 10 мм, Д × Ш × В), може лесно да се интегрира в интелигентни разпределителни кутии, стенни контакти и контролни панели за малки уреди. В момента той се е превърнал в компонент, използван от множество местни марки за интелигентен дом за функции като управление на осветлението и превключване на мощността на уреда. Една марка съобщи, че процентът на неизправност на продуктите, оборудвани с него, е с 40% по-нисък от традиционните суичове.
В малки промишлени и търговски сценарии продуктът е подходящ за контрол на мощността на малко конвейерно оборудване, търговски кафе машини, офис принтери и други устройства. Чрез оптимизиране на структурата на клемната връзка, той поддържа бърза инсталация на окабеляване, повишавайки ефективността на сглобяване на устройството. Преди това персонализирана версия за производител на търговски уреди, чрез регулиране на разстоянието между клемите, отговаряше на изискванията за компактно вътрешно окабеляване на тяхното оборудване, подобрявайки ефективността на инсталацията с 25%.
Микро превключвател Спецификация
| Технически характеристики на превключвателя: | |||
| АРТИКУЛ | Технически параметър | Стойност | |
| 1 | Електрическа оценка | 5(2)A 125V/250VAC 10(3)125V/250VAC | |
| 2 | Контактно съпротивление | ≤50mΩ Първоначална стойност | |
| 3 | Изолационно съпротивление | ≥100MΩ (500VDC) | |
| 4 |
Диелектрик Напрежение |
Между несвързани клеми |
500V/0.5mA/60S |
| Между терминалите и металната рамка |
1500V/0.5mA/60S | ||
| 5 | Електрически живот | ≥10000 цикъла | |
| 6 | Механичен живот | ≥100000 цикъла | |
| 7 | Работна температура | -25 ~ 125 ℃ | |
| 8 | Работна честота | Електрически: 15 цикъла Механични: 60 цикъла |
|
| 9 | Устойчивост на вибрации | Честота на вибрация: 10~55HZ; Амплитуда:1.5mm; Три посоки: 1H |
|
| 10 | Способност за запояване: Повече от 80% от потопената част трябва да бъдат покрити с спойка |
Температура на запояване: 235±5℃ Време на потапяне: 2~3S |
|
| 11 | Устойчивост на топлина на спойка | Потопено запояване: 260±5℃ 5±1S Ръчно запояване: 300±5℃ 2~3S |
|
| 12 | Одобрения за безопасност | UL、CSA、VDE、ENEC、CE | |
| 13 | Условия на теста | Температура на околната среда: 20±5℃ Относителна влажност: 65±5%RH Въздушно налягане: 86~106KPa |
|
Tongda Wire Electric Micro USB вграден превключвател за захранване Подробности

