Като професионално предприятие Durable Micro Switch with Press-Fit and Soldering Tabs с 35-годишен опит в производството на превключватели, Yueqing Tongda Wire Electric Factory се съсредоточава върху „персонализиране, ориентирано към търсенето, технология, гарантираща безопасност“ и, фокусирайки се върху основните продукти като клавишни превключватели, бутони с червени бутони, микропревключватели NO/NC и бутони NC, предоставя персонализирани решения за превключватели за различни области, включително промишлени, интелигентен дом, медицински и морски сектори. С технологични иновации и строг контрол на качеството, той се превърна в еталон в областта на персонализираните превключватели.
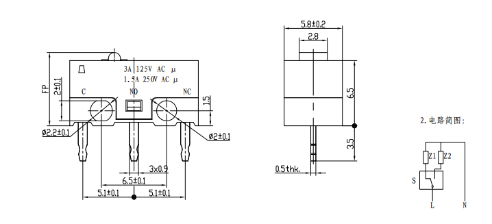
Въведение в микропревключвателя

Параметър на микропревключвателя (спецификация)
| АРТИКУЛ | Основни технически параметри |
| 1 | Електрически рейтинг: 3A 250VAC |
| 2 | Електрически живот: мин. 10000 цикъла |
| 3 | Контактно съпротивление: <50mΩ |
| 4 | Работна сила: 70±20gf |
| 5 | Свободна позиция:7.3±0.2mm |
| 6 | Работна позиция:7.0±0.2mm |
| 7 | Околна температура: T85° |
| 8 | Устойчиво напрежение: Между клема и клема 500V/5S/5mA; |
| Между клеми и кутия 1500/5S/5mA | |
| 9 | Изолационно съпротивление:>100MΩ Тестово напрежение 500VDC |
| 10 | Индекс на доказателство за проследяване PTI: 175V |
Подробности за микропревключвателя
