Микро превключвателят с двойна връзка за пътуване е автоматичен контролен компонент, задействан от механично движение. Основната му функция е да открие изместването или хода на обект за постигане на отваряне и затваряне на вериги, старт и спиране на оборудването или ограничаване на защитата. Това е незаменим „Secute Sentinel“ и „Commander Action“ в индустриалната автоматизация и електромеханичното оборудване.
Превключвател ВъведениеUction
Превключвателят за пътуване (известен също като ограничен превключвател) е автоматичен контролен компонент, задействан от механично движение. Основната му функция е да открие изместването или хода на обект за постигане на отваряне и затваряне на вериги, старт и спиране на оборудването или ограничаване на защитата. Това е незаменим „Secute Sentinel“ и „Commander Action“ в индустриалната автоматизация и електромеханичното оборудване.
Превключвател Приложенияция
В кранове, асансьори и повдигащи платформи лимитните превключватели са критични компоненти за безопасност:
Асансьорна шахта:Горните и долните гранични превключватели са инсталирани в горната и долната част на вала на асансьора. Ако асансьорът загуби контрол и прекомерни пътувания, превключвателите се задействат, за да задействат аварийната спирачка, като предотвратяват катастрофата на колата в горната част (над главата) или отдолу (яма) на вала.
Крейн кука:Пречълтящ превключвател е инсталиран в горната граница на пътя на куката. Когато куката се приближи до моста на крана, превключвателят се активира, за да отреже мощността към мотора за повдигане, като по този начин се избягва сблъсъци и повреда на оборудването.
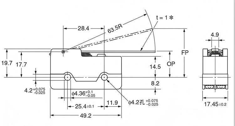
Превключвател Подробности
